呼和浩特發電機網:2019年4月10日轉發行業動態
特邀《電力設備管理》雜志推文
【摘要】:事故保安電源包括直、交流兩種。其中直流事故的保安電源采用的是蓄電池,可為直流潤滑油泵等一些事故保安負荷供電;交流事故保安電源適合采用可快速自啟動的柴油發電機組,在廠用電失電時確保頂軸油泵、交流潤滑油泵、盤車等其他的交流事故保安負荷的電源供給。
【關鍵詞】:保安電源;柴油發電機

1概述
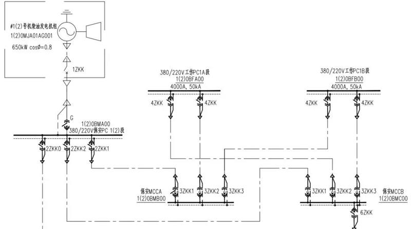
某發電廠2017年4月6日,2號機組6kV 2B工作變及其低壓側400伏工作PC 1B段停電檢修中,保安MCCA/B段由400伏PC 1A段供電。4月6日14點28分2號機2A工作變低壓進線開關跳閘,400伏工作PC 1A段失壓,由400伏PC 1A段供電的保安MCCA/B段均失壓。此時,柴油發電機啟動建壓成功,但保安MCCA/B段均未恢復供電,運行人員手動送電恢復保安MCCA/B段供電正常運行。設備恢復正常運行方式后,檢修人員對事件發生時整個電氣的聯動過程進行分析,發現保安MCCA/B段工備電源開關聯動過程不正確。

保安電源系統設計的運行方式為:2號機保安MCCA/B段每段設有三路電源進線,兩回電源進線3ZKK2、3ZKK3分別來自400伏工作PC1A段和PC1B段,一回備用電源進線3ZKK1來自保安PC段(柴油發電機供電)。正常運行時,1ZKK、3ZKK1分閘狀態,G、2ZKK1、4ZKK合閘狀態,3ZKK2、3ZKK3僅有一個合閘狀態。事件發生時,保安MCCA/B段由400伏PC1A段經3ZKK2供電,另一路由400伏PC1B段供電的工作電源停電檢修,3ZKK3退出運行。
按照柴油發電機PLC控制邏輯設計:400伏PC1A段電源失去電壓,保安MCCA/B段失電,此時柴油發電機PLC應啟動邏輯判斷,首先啟動柴油發電機建壓,然后自動跳開3ZKK2開關,自動合上1ZKK、3ZKK1開關,完成將保安MCCA/B段工作電源切至柴油發電機供電。實際本次發生故障時,2號機柴油發電機建壓成功,但3ZKK2開關未自動跳開,3ZKK1開關沒有自動合閘,運行人員手動跳開3ZKK2開關后,3ZKK1開關才自動合閘恢復保安MCCA/B段供電,整個過程沒有實現自動切換。針對上述異常情況,經現場討論,對當時聯鎖回路動作過程進行了分析,決定對柴油發電機整個邏輯回路進行檢查,真實模擬故障情況,檢查聯動回路。
首先對整個回路進行了接線檢查,無異常,各設備指示均正常,恢復正常運行方式。
手動斷開保安MCCA/B段3ZKK2開關,3ZKK3
開關正確自動合閘,反之同樣結果正確。
手動分別斷開保安MCCA/B段3ZKK2、3ZKK3
兩路工作電源開關后,柴油發電機建壓成功,自動合上1ZKK、3ZKK1開關,保安MCCA/B段工作電源正確切至柴油發電機供電,判斷柴油發電機邏輯功能正常。
模擬真實的故障情況,直接手動斷開400伏工作PC1A段進線電源開關,400伏工作PC 1A段、保安MCCA/B段失壓。保安MCCA/B段失壓后,柴油發電機正常啟動建壓,但沒有切換至柴油發電機供電,聯動失敗。
根據PLC控制邏輯設計,分析聯動失敗的原因為保安MCCA/B段失壓時3ZKK2開關未接收到柴油發電機PLC發出的跳閘控制指令或PLC未發出跳閘指令。首先檢查PLC外觀及指示燈正常,接著對3ZKK2開關回路進行檢查時,發現柴油發電機PLC至3ZKK2、3ZKK3開關的跳閘回路接線錯誤,在3ZKK2、3ZKK3開關間隔側跳閘正電源未連接,檢查準確后恢復接線。
重新模擬工作PC1A段、保安MCCA/B段失壓,3ZKK2開關自動跳閘,3ZKK3開關自動合閘,切換至400伏工作PC1B段供電,回路聯動正確,切換成功。
保安MCCA段只采用400伏工作PC1A段一路電源供電,另一路工作電源400伏工作PC1B段失電(無法備用),斷開工作PC1A段電源進線開關,保安MCCA段失壓,柴油發電機PLC發3ZKK2開關跳閘指令,3ZKK2開關跳閘,柴油發電機建壓成功,自動合上1ZKK、3ZKK1開關,保安MCCA段工作電源正確切至柴油發電機供電。保安MCCB段同樣試驗結果正確。
3總結及防范措施
柴油發電機PLC至3ZKK2、3ZKK3開關間隔直流正電源接線錯誤是導致事發時聯動失敗的原因。基建時工作PC段均已送電進行設備分部調試運行,已不允許模擬真實情況(保安MCCA/B段失壓)進行柴油發電機邏輯調試,只能采用手動斷開3ZKK2、3ZKK3開關的方式進行,但手動分合3ZKK2、3ZKK3進線開關的連鎖邏輯回路在DCS系統中實現,此回路接線正確,開關正確連鎖跳閘,柴油發電機PLC接收開關動作信號正確,造成了聯動成功的假象。
快速啟動柴油發電機作為保安電源,是防止當發電機組故障停機、且此時電網也故障時,機組廠用電供給的輔機會失去電源而停運,從而造成發電機大軸彎曲、鍋爐爆管、汽輪機軸變形等事故。為保證機組在上述情況下能夠立即啟動并向重要的輔機供電,從而保證機組。為防止此類問題發生在機組運行中,特制定相應的防范措施如下。
堅持定期進行柴油發電機啟動試驗,原則上每月一次;設備巡視認真檢查柴油發電機PLC工作狀態、信號指示燈的正確性。同時檢查發動機冷卻水、柴油狀況;機組檢修或臨時調停且具備條件時,要進行必要的聯動試驗,試驗要模擬真實情況,確保可靠備用;目前柴油發電機PLC多為進口設備,應加強人員技術培訓,以便發生設備故障時迅速判斷、處理,避免處理時間長而造成保安電源失去備用;應做好柴油發電機故障失去備用時的事故預案,避免故障緊急情況下操作失誤。
參考文獻
[1]無錫圣鑫科技有限公司《650kW柴油發電機組安裝手冊及邏輯圖紙說明書》.
[2]賀桂林.柴油發電機組帶負荷運行試驗方案探討[J].華北電力技術,2005.(1).
[3]聶維景.火力發電交流事故保安電源選擇[J].內蒙古石油化工,2006(5).
(此專文摘自《電力設備管理》雜志文庫,專文主創:國能集團樂東發電公司)
呼和浩特發電機網聲明:本公眾號注重內容原創,并尊重原創。轉載微信如涉版權等事宜,請及時聯系小編!
當前位置:




